MAUER 9136 veiligheidsslot SKG2

09136P009706063 - Mauer Insteeksloten
MPN: 09136P009796063 EAN: DGE: 3592048 Locatie: Merk: Mauer
Type voorplaat
€ 33,63 (€ 27,79 excl. BTW)

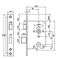
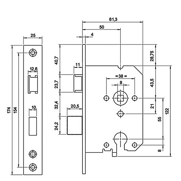
MAUER 9136 SKG** veiligheidsslot voor buitendeuren. Zowel geschikt voor renovatie als voor nieuwbouw. Doornmaat 50mm en PC55mm. Verkrijgbaar met ronde of rechthoekige voorplaat.

Dit product wordt per stuks verkocht.

ARTIKELNUMMERMPNEAN
09136P00970606309136P0097060638715791111904
09136P00979606309136P009796063
  • Uitvoering: Dag- en nacht cilinderslot
  • Ronde of rechthoekige voorplaat
  • Doornmaat: 50 mm
  • Voorplaat: 174x25x4 mm
  • Kleur/Mat. voorplaat: RVS
  • Model voorplaat: Rechthoekig
  • Hartafstand: 55 mm
  • Draairichting: Ls/rs omkeerbaar
  • Materiaal: Vernikkeld dag
  • Krukgat: 8 mm
  • Exclusief sluitplaat
Heeft u advies nodig over een product?
Bel met onze klantenservice van ma. t/m vrij. van 8:00 - 17:00 uur Bel: 085 04 92 768
[RESULT]
MAUER 9136 veiligheidsslot SKG2

09136P009706063